The undeniable advantages of SiC technology over Si
Silicon carbide (SiC) technology has reached the tipping point, the state when undeniable advantages push a technology into rapid adoption.
Today, designers looking to stay competitive and lower long-term system costs are turning to SiC-based technologies for many reasons, including these:
- To reduce total cost of ownership: SiC-based designs, while requiring upfront investment, deliver system cost reductions via energy efficiency, smaller system size and reliability.
- To overcome design challenges: SiC’s properties enable designers to develop smaller devices that run cooler, switch faster and operate at higher voltages.
- To increase reliability and performance: With smaller, cooler devices, designers are free to make more innovative design choices that more readily meet market need.
Most electronics today rely on metal oxide semiconductor field effect transistors (MOSFETs), invented in 1959 at Bell Labs and widely adopted during the early 1960s. MOSFETs control the electrical conductivity of the device channel by changing voltage applied on the gate terminal, which is enabling signal amplification or switching and power processing.
Silicon (Si) is still used as a major material to build MOSFETs, but today’s equipment performance demands is pushing Si technology to material limits.
SiC advantages over traditional Si
Energy usage and its conversion from source to final application has been a subject of development ever since horsepower meant exactly that, and the design of a plough was critical to how many days it would take to prepare a field for planting.
Today we think more about electrical energy and power conversion from a generator output to an end-voltage for a host of applications, be it 0.6VDC for a processor, 24VDC to 500VAC for an industrial motor drive or 400VDC to charge an EV battery. The conversion process invariably uses power semiconductor switches and Si-based types have been dominant for decades in the form of Si-MOSFETs and IGBTs.
Losses in these switches make them less efficient than SiC. Reducing power waste and heat is a primary focus in minimizing operating costs and achieving energy efficiency.
In recent years, alternative materials to silicon have become viable in the form of SiC and Gallium Nitride (GaN). Both have characteristics that enable step improvements in efficiency of power conversion. These wide bandgap devices are not a simple substitution for Si. Application circuit designs must match to extract full performance benefits. (Figure 1 shows the main differences between the materials.)

Figure 1: Main differences between Si, SiC and GaN materials
Si, SiC and GaN – conduction losses
Si-IGBTs have a nearly constant on-state collector-emitter saturation voltage that with collector current sets conduction losses. Si-MOSFETS have an on-state resistance so that power dissipated is I.R(ON)2 (noted as: , which can be prohibitive at high current levels.
At low voltage and low to medium power, Si-MOSFETs with low R(ON) can have less conduction loss than IGBTs. SiC and GaN materials have a much higher critical breakdown voltage than Si, allowing for a thinner drift layer and higher doping concentration. This leads to lower on-resistance for a given die area and voltage rating, providing for greater efficiency through reduced power loss.
Additionally, SiC has a thermal conductivity more than three times better than Si, enabling the use of smaller die for the same temperature rise. SiC and GaN also provide efficiency improvements over Si by having higher maximum operating temperatures, limiting device stress.
Si, SiC and GaN – switching losses
High converter switching frequency is a desirable characteristic because associated components, particularly magnetics, can be smaller, yielding miniaturization benefits and cost savings. However, switching losses in all devices scale directly with frequency. IGBTs are rarely operated above 20kHz because of power loss due to “tail current,” necessary snubbers and charge / discharge of high device capacitances. Si-MOSFETs can switch at hundreds of kHz but energy lost, energy stored in output capacitance (EOSS), in circulating current to the output capacitance becomes a limiting factor as frequency rises. SiC and GaN deliver much higher electron saturation velocity and much lower capacitances, providing substantial benefits in higher speed switching and decreased power loss.
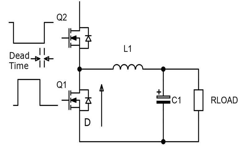
The characteristics of devices in the “third quadrant” are also of importance, when the conducting channel is reverse-biased. This occurs for example when driving inductive loads by half bridge (See Figure 2.) IGBTs do not conduct in reverse so they require an anti-parallel diode, which must be a fast recovery type with a low voltage drop. Si- and SiC-MOSFETS have inherent fast body diodes but can conduct through their channels in reverse with low loss and no reverse recovery effect when switched ON via their gates.
Even with MOSFET actively turned ON while conducting in the third quadrant, body diode will conduct for a short time while both switches are turned off in order to prevent shoot-through current through half bridge. This is so called “dead time” when the body diode is conducting, causing additional power loss caused by the relatively high forward voltage drop and reverse recovery needed to switch of diode. Faster transition times of SiC and GaN enables smaller dead times and losses associated.

GaN switches configured as high electron mobility transistors (HEMTs) have no body diode. Like MOSFETs, HEMT channels can conduct in reverse but there is also a body diode effect through the channel during any dead time. This produces a voltage drop approximately equal to the gate threshold voltage in the range of 2V. This can cause power dissipation unless the channel is actively turned ON.
Takeaways
SiC will soon overtake Si as the dominant semiconductor material for power devices with voltage rating higher than 600V.
Its key benefits include delivering higher voltage operation, wider temperature ranges and increased switching frequencies when compared to existing Si technology.
SiC benefits also include significant efficiency gains through miniaturization advancements, decreased cooling requirements and lower overall system costs by as much as 10-20% over Si materials.
By choosing the right partners for your next innovation optimizes efficiency, you can achieve better user experiences and maximizes profit potential. To get there, Avnet partners with trusted global technology partners like Infineon to enable you to better focus valuable resources on intellectual property innovation and other areas that deliver a strong competitive edge.
Together, we provide the support needed to successfully differentiate your product offerings, accelerate your time to market and improve business outcomes.
Explore SiC content from Avnet-affiliated companies:
Avnet Abacus: Passive components for SiC and GaN
Avnet Silica: Webinar: Designing SiC-based DC fast charging systems
EBV Elektronik: Wide bandgap semiconductor solutions
Newark: SiC MOSFETs & Modules
