Time-of-flight distance measurement enables emerging markets
Automated guided vehicles, or AGVs, cover a range of applications. Being automated, they occupy a waypoint between remotely controlled and fully autonomous. An AGV differs in this way from an autonomous mobile robot, or AMR.
In their form and function, AGVs and AMRs are similar, but while an AMR can direct itself around a working area using location and mapping technologies, an AGV will likely need to be told where it is, where it needs to go and, most importantly, how to get there.
What both AGVs and AMRs have in common is the ability to detect obstacles and take actions to avoid them. Sometimes that action will be to change course, other times it may simply be to stop and wait.
Object detection can be achieved in various ways, with varying resolution and accuracy. Detecting the distance to an obstacle, particularly with accuracy, raises the bar. The solutions are few and when size and power limitations are combined with the demands of the working environment, it makes the list even shorter.
What is time-of-flight sensing?
Time-of-flight (ToF) technology is one method used to detect distance. If the field of view is tuned to the application, it is an effective technology. ToF is widely used to provide guidance and collision avoidance in AGMs and AMRs, but ToF is used in many other applications.
Emitting a visible or infrared light pulse and measuring the time it takes for a reflection to be detected is one way of implementing ToF. As an example, optical ToF is now used to autofocus digital cameras in some mobile phones. The hardware needed for optical ToF can be small, which is one of its main advantages.
But optical ToF has some disadvantages, too. Because it uses light, it can be affected by ambient conditions as well as overall visibility. This means it may not work well in rain, fog or when there is a source of strong light in the field of view.
Ultrasonic ToF
Ultrasonic ToF uses sound instead of light. These miniature sonar devices emit sound at ultrasonic frequencies and listen for the subsequent reflections. The time it takes for the reflection to hit the sensor is measurable. That measurement is used to calculate the distance to the object.
An ultrasonic ToF sensor can operate in all conditions, including bright sunshine or total darkness. The technology is immune to most forms of interference found in various environments, including sound and light, dust or smoke. The technology is being used in land drones for collision avoidance as well as ground and ceiling detection in indoor flying drones. Thanks to its small size, low power and robustness, ultrasonic ToF can also be used in many other applications.
The SmartSonic™ time-of-flight platform from TDK InvenSense uses the ultrasonic approach. The devices in the SmartSonic family comprise ToF MEMS-based (microelectromechanical systems) sensors with integrated systems-on-chip (SoCs). SmartSonic devices are also ultra-low power. They consume as much as 100 times less power than an infrared optical ToF sensor. This puts the technology firmly into applications where size, weight and power are critical. This includes battery-powered systems and remote electronic devices that operate from energy harvested from the environment.
The attributes of ultrasonic ToF make it a good option when considering object detection and avoidance in AGVs and AMRs. But it can also be used to automate other functions, such as:
- Monitoring moving objects on a production line
- Detecting containers in vending machines, and the liquid levels in those containers as they are filled or emptied
- Identifying floor coverings, from soft carpeting to hard laminate
- The edge of a surface, such as a step
- Speed detection, using separate sensors for emission and detection
- Empty area detection, such as parking bays for smart parking assistance
Presence or proximity detection is the process of identifying when something–often a person–is approaching a device. As an example, the device could be a hotel door equipped with an automatic lock. Ultra-low-power presence detection can auto-wake the more power-intensive electronic system that reads an electronic key and electromechanically opens the door. Minimizing standby power in always-on, always-ready systems is a good example of where ultrasonic ToF delivers value.
But how exactly does it work? To find out, let’s take a closer look at an ultrasonic ToF sensor.
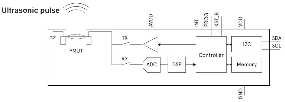
Inside an ultrasonic ToF sensor

The sensors are formed from two main functional blocks. The first is a piezoelectric micromachined ultrasonic transducer or PMUT. In a single-sensor configuration, the same PMUT is used to both generate and detect ultrasonic waveforms.
The SoC provides the smarts to make good use of the transducer’s capabilities. This includes generating the drive signal to emit energy at ultrasonic frequencies, and detecting and understanding the ultrasound energy received, as reflections from objects in the field of view. The SoC integrates a digital signal processor (DSP) and microcontroller (MCU) running firmware provided by TDK InvenSense to provide the processing required.
Two I2C interface addresses are used for communicating with the sensor. One I2C address is for loading the firmware into the sensor’s DSP and MCU at power-up; the second I2C address is used to control and interrogate the sensor through the integrated MCU during operation.
Implementing ultrasonic time of flight
Ultrasonic sensing basics

As explained earlier, the micromachined transducer in SmartSense devices does double duty as both the emitter and receiver. The pulse-width modulated signal drives the transducer at between 85 kHz and 175 kHz, depending on the device. After transmitting, the system waits for any ringing to decay before listening for reflections from objects in the field of view.
Ultrasonic sensing basics

The received analog signal is converted and digitally filtered to extract the amplitude of the reflected signal. This is then analyzed to calculate the time delay between the emitted and received signals. The speed of sound is unchanged by humidity or air pressure, but temperature can cause variation. It is around 343 meters/second at 20°C/68°F. Without compensating for temperature variation, an error will be introduced. Knowing the temperature and having an accurate real-time clock are the last parts of the equation.
The CH-101 provides mid-distance detection and the CH-201 is designed for longer distances. Together they cover distances from 1 cm up to 5 m. The ICU-10201 has a range of between 10 cm and 1.2 m. The ICU-20201 has a range of between 20 cm and 5 m.
At a system level, the sensor is controlled through calls in the application code, delivered over the I2C interface. All source code needed to drive the SmartSense platform is provided by TDK InvenSense and freely accessed on GitHub.
Related links
The SmartSense Platform, including the CH101, CH102, ICU-10201, and ICU-20201: SmartSonic™ | TDK InvenSense
