New technologies could make building management, HVAC systems even smarter
Buildings have an insatiable appetite for energy. Public and commercial buildings in particular use a lot of energy. Because we spend large parts of our waking lives in these buildings, they are subject to strict health and safety requirements.
Modern building management systems (BMSs) are used to help manage these requirements. The BMS is often complemented by a climate control system (HVAC, or heating, ventilation and air conditioning). In some respects, a BMS is engaged in a continuous battle with the HVAC system, because their objectives are not necessarily aligned. The BMS is likely to be doing all it can to reduce energy usage, while the HVAC system is only really concerned with maintaining a human-friendly environment.
If their world – in this case the building – was a closed system, the two could live in harmony. But buildings are not closed systems, and people are variables. This world is subject to constant change.
Moving building management online
The Internet of Things (IoT) has opened a new dimension to BMS and HVAC manufacturers. Control algorithms can now be influenced by operators remotely. Building supervisors can monitor parameters such as temperature, humidity, occupancy and security from anywhere.
While the IoT has extended the reach of supervisory control, the system architecture will still be relatively inflexible. Adding connectivity would, in theory, allow a BMS to be extensible after initial installation. This might include adding new sensors to doors and windows. However, the data provided by a window sensor would also be useful to the HVAC, if it understands how an open window could cause a drop in temperature or a rise in humidity.
Adding sensors into one system may be relatively simple but integrating that data into both systems would require a higher level of interoperability and extensibility. This scenario is not unique to building management. The IoT is creating opportunity for extensible systems to access more data. The data source may be public, or commercially available through subscription. The application programming interface (API) is the industry-standard way of accessing data outside an immediate system over an internet connection. The device providing the data must therefore be talking to an internet service that manages those connections.
It is conceivable to extend a BMS using data gathered through APIs. As an example, this might include traffic alerts from nearby intersections, which could influence the flow of people into and out of the building. If this seems unlikely, it is perhaps because the benefits seem to be overwhelmed by the effort. But what if the BMS could automatically adapt to new data as it becomes available? This is where artificial intelligence (AI) and machine learning can help.
Adding AI to BMS and HVAC
A BMS is a long-term investment. It isn’t the sort of system that will be ripped out and replaced frequently, if at all. The IoT has been around long enough to be integrated into building management for a while now, so many BMSs will have internet connectivity.
The emergence of AI is still happening. As a cloud-based service, AI can be used to monitor patterns and make judgements on anomalies in those patterns. This may be useful for connected BMSs, which generally use rule-based programming. People do not always behave the same way. Using AI, the actions taken could change and adapt.
Allowing AI to make real-time decisions about building management could be useful if used in the right way and there are manufacturers now doing this. Moving from a rule-based algorithm to AI in a system where the variables include locked doors and open windows may deliver better automation.
AI would be even more impactful in systems where the control inputs are truly variable. HVAC is a good example. The intent of an HVAC system is to control parameters important to the occupants: temperature and humidity, as well as air quality and to some extent air pressure. These parameters are subject to change, caused by inputs that are outside the control of the system. Because the way these inputs interact is complex, the way the system reacts to these inputs is also more complex.
The outside temperature will track seasonal norms, but it could also change suddenly based on the speed and direction of the wind, the level of cloud cover and the amount of rainfall. The same is true for humidity. The humidity levels inside the building are influenced by the outside humidity, any changes need to be detected and adjustments made.
This closed loop approach to what is really an open loop system requires more than just simple rules. This is where AI could play a role.
Sensors, sensors, everywhere
As the name explains, HVAC systems have been on a journey. They started with heating and then added ventilation and now include air conditioning, with an R for refrigeration sometimes added for good measure.
Temperature, humidity and pressure sensors play an important part in creating the closed part of these inherently open loop systems. The American Society of Heating, Refrigeration and Air-Conditioning Engineers (ASHRAE) is very active here, providing guidance on what sensors to use and where to use them.
The need for sensors has also evolved in step with HVAC. Temperature and humidity are now more important in the goal of maintaining a healthy environment. The drive for higher energy efficiency in HVAC systems is also accelerating. The ASHRAE recently launched a task force for the decarbonization of buildings to bring down emissions from the energy they use.
It follows that adding more sensors to the system, particularly one that uses AI, should result in better control. This creates some design objectives that can be addressed using the latest sensor products coupled with emerging technologies.
The next generation of AI-enabled HVAC?
Here, we present a future scenario where these products and technologies are coming together to create the next generation of HVAC. Smart sensors are not new, they underpin the IoT. Integrating sensors into a system is one thing, but we are looking at extending the reach of an HVAC system using smart sensors in a distributed way.
Proposed HVAC system with wireless power, wireless sensors and AI

In our proposed HVAC system, AI would be used to make good use of the temperature and humidity data provided by remote sensors distributed throughout a building.
The first step is to select the best temperature and humidity sensors for the task. We want these smart sensors to be small and low power, but they also need to provide high accuracy. Early HVAC systems didn’t use sensors at all. When they were added they were simple, often just resistive elements. Some HVAC systems still use these simple sensors, even those that now use direct digital control (DDC).
In our future scenario, the sensors could be located anywhere in a building. These sensors will be self-contained subsystems, integrating energy management and communications. The sensing element will be more robust than a resistive element. New sensors can meet these requirements, providing much higher levels of integration with more features, along with standard interfaces.
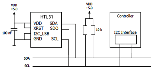
The HTU31 from TE Connectivity is a good example. The HTU31 is one of the smallest and most accurate humidity sensors available today and incorporates temperature measurement. It is housed in a 6-pin DFN (dual flat, no leads) surface mount package measuring just 2.5 mm by 2.5 mm by 0.9 mm.
The sensor is available in both digital and analog output variants. Both versions can operate in a relative humidity from 0% to 100%, and temperatures from -40 ˚C to +125 ˚C. The sensing element provides a relative humidity (RH) resolution of 0.01 % RH and accuracy of ± 2 RH. The temperature resolution is 0.016 ˚C with an accuracy of ± 0.2 ˚C.
The digital version also includes a built-in heater and a diagnostic register. Its data and other features are accessed through an I2C interface, and each device has two I2C addresses which can be selected with a dedicated pin. This allows two sensors to be used on the same I2C bus without conflict. The digital and analog versions can operate from a supply voltage of between 3 V and 5.5 V. The digital HTU31 consumes a typical current of 1 µA.
The analog version of the HTU31 provides two ratiometric outputs, one for relative humidity and one for temperature. The typical current consumption of the analog version is 161 µA. Both are fully calibrated and temperature compensated.
Putting sensors anywhere
The low profile of the HTU31 makes it ideal for smart, connected sensors that are battery operated. However, thanks to its low power operation, the sensor could potentially be powered using alternative energy sources. The most developed of these is harvested energy, using either natural or artificial light, heat differentials or motion. All three forms of energy harvesting are now available and proven to supply small, low-power devices. This even includes smart sensors that use wireless connectivity.
Wireless power delivery is another area of research that could be employed. Delivering power wirelessly over relatively long distances works similarly to wireless power transfer (WPT). Using WPT to charge mobile phones in cars is becoming mainstream and although the technology is only designed to bridge small gaps of a few millimeters, the principle also works over longer distances. For more on wireless power transfer technology, read “When will wireless power transfer redefine the Industrial IoT?”
Greater building health insight

The HTU31 digital output (shown) and analog output versions are small, power efficient and highly accurate humidity and temperature sensors. They can be used in smart sensors to extend HVAC systems, providing greater insight into building health. (Source: TE Connectivity)
Small, low-power smart sensors that are powered wirelessly could be placed almost anywhere. This would allow the HVAC system to measure temperature and humidity in more places around a building. Distributed smart sensors would give our next-gen HVAC system almost unlimited reach, but it also comes with design considerations.
One of those considerations would be how easily sensors could be added to or removed from the system. Mesh networking technologies are very good at managing ad hoc network structures and that would be one solution. Hierarchically, each sensor would be providing the same type of data from a different location. The HVAC would need to manage this hierarchy without making the overall architecture too complex.
This sort of complexity is being addressed through another emerging technology, service-oriented architectures and microservices. This provides a structured way of allowing devices, such as smart sensors, to provide data that is more easily shared by other systems. What the subscribing system sees is a data source, it doesn’t need to understand how the sensor creates the data. Likewise, the sensor doesn’t need to be told what to do or went to do it by the other systems. This is a key development in the IoT, and it would work in our scenario because it offers a simple way of adding and removing sensors, as services. The article, “Supporting a service-oriented approach in the IIoT” goes into more detail about the technology.
In addition to powering the smart sensor and understanding what data it offers, there is another requirement to consider. For an HVAC system, the location of the sensor is also vitally important. For the artificially intelligent system to work, it will need to know what area of the building the data relates to. The variation in temperature and humidity throughout the building is fundamental to efficient operation.
If the system architecture is fixed before it is installed, the location of the sensors will already be known. But in this vision of a future HVAC system that uses AI to adapt and operate more efficiently we don’t assume that the number and location of the smart sensors are fixed.
Again, technology comes to the rescue. In this case it is indoor position sensing using a wireless signal. Almost all popular wireless technologies now provide a way of determining position. That includes Wi-Fi, Bluetooth, Zigbee, UWB and more. The reason is mainly because GPS doesn’t work well inside.
In general, a position is determined relative to known points. Those known points are normally other wireless transceivers in fixed locations. A movable device can determine its own position by analyzing the strength, flight time or angle of arrival of the signal(s) coming from the fixed transceiver(s). Each wireless technology does this slightly differently depending on the capabilities of the hardware.
Some indoor positioning systems can provide centimeter accuracy and for asset tracking this can be important. For our purposes, the exact position isn’t too crucial. The HVAC system would have a map of the building, so knowing which floor, room and wall the sensor is close to would probably be good enough.
We can make better HVAC
There is strong motivation for improving the energy efficiency of commercial buildings. That relates to how BMS and HVAC systems operate. We have all probably been in a room where the temperature or humidity just never seems to be quite right. This often leads to a cycle of cooling and heating while the control system tries to reach the target.
The openness of these systems means that target may never be reached. Adding AI may help by allowing some leniency to remove the oscillation. More data will also help make the AI more effective, which raises the concept of distributed smart sensors.
In the scenario described here, the smart sensors use indoor position and wireless power delivery, along with a service-oriented approach to delivering that data. These are all real technologies available now. They may find their way into the HVAC of tomorrow. AI is already being used in BMS and HVAC, and the HTU31 is also favored by HVAC manufacturers.