用於隔離電源的26V H橋變壓器驅動器
可適用於電動汽車充電、工業變頻、電源、太陽能逆變器等多種場景中。
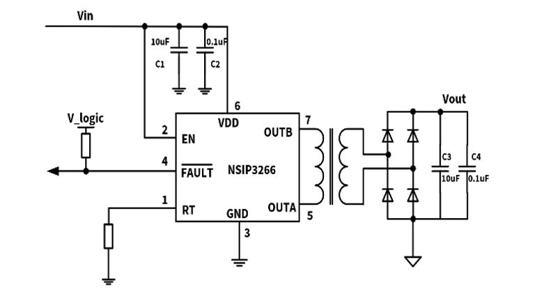
NSIP3266是一款H橋變壓器驅動器,支援6.5V–26V輸入、100kHz–1MHz可調頻率、低功耗模式,並具備過溫/過流保護,採用MSOP8封裝,工作溫度範圍-40°C至125°C,適用於隔離電源設計。
NSIP3266 H橋變壓器驅動器為設計隔離式電源提供了一種簡單的解決方案。該器件驅動變壓器初級線圈,電壓範圍為 6.5V 至 26V。變壓器的次級線圈與初級線圈之比決定了輸出電壓,幾乎可以選擇任何隔離輸出電壓。NSIP3266 的開關頻率可通過外部電阻器從 100kHz 調整到 1MHz,這為優化效率或外部元件尺寸提供了靈活性。當器件檢測到過熱或過流情況時,會斷言輸出。此外,該器件還具有低功耗模式,可在不使用驅動器時將總電源電流降至 0.7mA(典型值)。NSIP3266 採用 MSOP8 封裝,工作溫度範圍為 -40°C 至 125°C。
特點
- 寬工作電壓範圍:6.5至26V
- 輸入12V時,最大輸出功率為5W
- EN引腳可承受(-10V)負向電壓
- 故障檢測與指示功能
- 可調頻率範圍:100 kHz至1MHz
- 過溫保護
- 過流保護
- 低靜態電流
- 欠壓鎖定保護
- 工作溫度範圍:-40°C至125°C
應用
- 電動汽車充電站、直流快速充電站
- GaN、IGBT 和 SiC 柵極變壓器驅動器偏置電源
- UPS 和太陽能逆變器
- 工業電機、電梯和自動扶梯
框圖

