用于隔离电源的26V H桥变压器驱动器
可适用于电动汽车充电、工业变频、电源、太阳能逆变器等多种场景中。
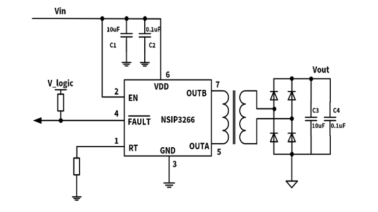
NSIP3266是一款H桥变压器驱动器,支持6.5V–26V输入、100kHz–1MHz可调频率、低功耗模式,并具备过温/过流保护,采用MSOP8封装,工作温度范围-40°C至125°C,适用于隔离电源设计。
NSIP3266 H桥变压器驱动器为设计隔离式电源提供了一种简单的解决方案。该器件驱动变压器初级线圈,电压范围为 6.5V 至 26V。变压器的次级线圈与初级线圈之比决定了输出电压,几乎可以选择任何隔离输出电压。NSIP3266 的开关频率可通过外部电阻器从 100kHz 调整到 1MHz,这为优化效率或外部元件尺寸提供了灵活性。当器件检测到过热或过流情况时,会断言输出。此外,该器件还具有低功耗模式,可在不使用驱动器时将总电源电流降至 0.7mA(典型值)。NSIP3266 采用 MSOP8 封装,工作温度范围为 -40°C 至 125°C。
特色
- 宽工作电压范围:6.5至26V
- 输入12V时,最大输出功率为5W
- EN引脚可承受(-10V)负向电压
- 故障检测与指示功能
- 可调频率范围:100 kHz至1MHz
- 过温保护
- 过流保护
- 低静态电流
- 欠压锁定保护
- 工作温度范围:-40°C至125°C
应用
- 电动汽车充电站、直流快速充电站
- GaN、IGBT 和 SiC 栅极变压器驱动器偏置电源
- UPS 和太阳能逆变器
- 工业电机、电梯和自动扶梯
框图

