26V H-Bridge Transformer Driver for Isolated Power Supplies
It is suitable for applications such as EV charging, industrial drives, power supplies, and solar inverters.
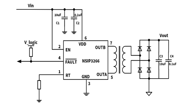
The NSIP3266 is an H-bridge transformer driver for isolated power supply design, supporting 6.5V–26V input, adjustable 100kHz–1MHz frequency, and low-power mode. It features thermal/current protection and comes in an MSOP8 package for -40°C to 125°C operation.
The NSIP3266 H-bridge transformer driver provides a simple solution for designing isolated power supplies. The device drives the primary coil of the transformer with a voltage range from 6.5V to 26V. The transformer’s secondary-to-primary winding ratio defines the output voltage, allowing selection of virtually any isolated output voltage.The NSIP3266 features adjustable switching frequency from 100 kHz to 1MHz with an external resistor, which provides the flexibility to optimize either efficiency or external component size. A output is asserted when the device detects an overtemperature or overcurrent condition. In addition, the device features a low-power mode to reduce the overall supply current to 0.7mA (typ) when the driver is not in use. The NSIP3266 is available in MSOP8 package with operating temperature range from -40°C to 125°C.
Features
- Wide supply voltage range: 6.5 to 26V
- Input 12V, the maximum output power is 5W
- Ability to handle negative swing of (-10V) at EN pin
- Fault Detection and Indication
- Adjustable Frequency: 100 kHz to 1MHz
- Over-Temperature Protection
- Over-Current Protection
- Low supply current
- Undervoltage Lockout
- Operating temperature range: -40°C to 125°C
Application
- EV charging station, DC fast charging station
- GaN, IGBT and SiC gate transformer driver bias supply
- UPS and solar inverters
- Industrial motors, elevators and escalators
Block Diagram


