D-NTC單總線型數字溫度傳感器 NST1002
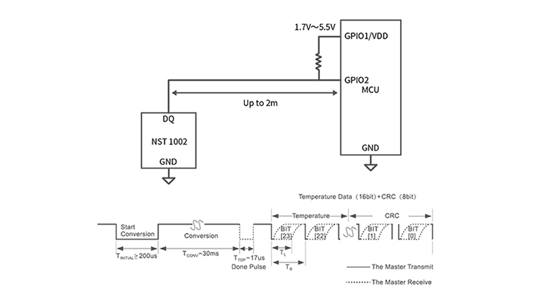
NST1002是一款高精度雙引腳單總線型溫度傳感器。NST1002具有單總線協議輸出接口以及在寬溫度範圍內高精度的特性可直接與 MCU連接使用, 保障測量精度的同時降低開銷。NST1002器件在-50℃至150℃的溫度範圍內支持±0.5℃的最大精度,同時具有極高的分辨率(0.0078125℃),無需借助系統校準或軟硬件補償。單總線協議的數字接口設計用於直接連接GPIO,從而簡化硬件實施。簡單的雙引腳架構使得NST1002器件可輕松轉換成雙線溫度探針。
特點
- 工作溫度範圍: ‒50℃至150℃
- -50℃~150℃內保持高精度
DFN-2L
0℃~85℃範圍內精度:±0.1℃ (典型值) ±0.25℃ (最大值)
-40℃~125℃範圍內精度:±0.5℃ (最大值)
-40℃~150℃範圍內精度:±0.5℃ (最大值)@3.3V
TO-92S-2L
0℃~85℃範圍內精度:±0.2℃ (典型值)
-20℃~85℃範圍內精度:±0.35℃ (最大值)
-40℃~125℃範圍內精度:±0.7℃ (最大值)
-40℃~150℃範圍內精度:±0.7℃ (最大值)@3.3V
- 高分辨率:0.0078125℃(1 LSB)
- 快速溫度響應:矽油τ63%0.27S(DFN2L)
- 單次溫度轉換時間:32ms
- 超低功耗:工作電流30µA,零待機功耗
- 電源電壓範圍:1.7V到5.5V
- 單總線協議數字輸出,無需AD轉換接口
- 支持雙引腳簡化溫度測量方案
- DFN2L超小封裝,與0603電阻尺寸相同
應用
- 電表
- 燃氣表測溫
- 智能馬桶
- 小家電
- 血糖儀
- 數字溫度探頭
- 智能可穿戴
- 工業物聯網
- 電池溫度檢測
框圖

