非隔離型DC-DC轉換器模組:Charge Pump Module MYC0409-NA
超薄型、高效率、Div.4等級、適用於48V匯流排架構的72W電荷泵模組
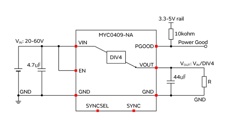
MYC0409-NA 是一款採用電荷泵電容分壓架構的48V轉12V全整合模組,可輸出高達72瓦功率,最佳效率達97%。
多組MYC0409模組可並聯使用,實現高功率、高效率的解決方案,適用於各類48V轉12V的降壓應用場景,例如資料中心、網通路由器、基地台及光學設備等。
特點
- 具備過電流與過溫保護功能
- 低輸入/輸出漣波,低EMI(電磁干擾)特性
- 可與外部時脈同步
- 支援並聯使用,提供高功率、高效率的解決方案
應用
- 資料中心/伺服器
- 網路設備
- 基地台
- 光學設備
- 測試設備
- LED看板
關鍵元件

框圖


