非隔离DC-DC转换器模块: Charge Pump Module MYC0409-NA
纤薄,峰值效率97%,4分割,72W充电泵模块,用于48V总线结构
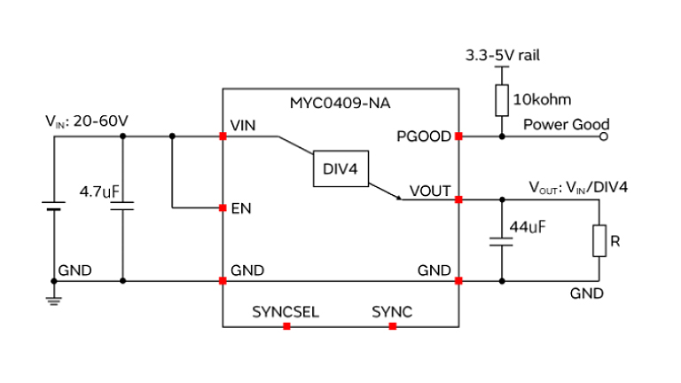
MYC0409-NA为48伏、4分割充电泵,电容器分配器全集成模块。
可提供功率高达72瓦,峰值效率97%。
MYC0409设备可以并联,以提供较高功率、较高能效的解决方案,适用于多种48V至12V的降压转换应用,如数据中心、网络路由器、基站和光学设备等。
特点
- 过流与过温保护
- 低输入、输出纹波,低EMI
- 可同步外部时钟
- 可并联以提供较高功率、较高效率的解决方案
应用
- 数据中心/服务器
- 网络设备
- 基站
- 光学设备
- 测试设备
- LED 显示设备
关键元件

框图


