Non-Isolated DC-DC converter module: UltraCP™ MYC0409-NA
Ultra-Thin, High Efficiency, Div.4, 72W Charge pump module for 48V bus architecture
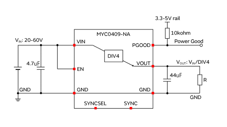
MYC0409-NA is 48 Volt divide-by-4 Charge pump Capacitor divider fully-integrated module.
Capable of delivering up to 72 watts of power with peak efficiency of 97%.
MYC0409 devices can be connected in parallel to provide high power, high efficiency solutions suitable for a variety of 48V to 12V step-down conversion applications such as datacenters, networking routers, base stations and optical equipment.
Features
- Over-current and over-temperature protections
- Low input and output ripple, low EMI
- Synchronizes to an external clock
- Can be connected in parallel to provide a high-power, high-efficiency solution
Application
- Data center/server
- Networking equipment
- Base station
- Optical equipment
- Test equipment
- LED signage
Key Components


Block Diagram


