FPGAの電源ICを選択するには、FPGAが求める電源要求を理解しなければなりません。必ず必要となってくる要件の一つに電源シーケンスがあります。この要求を満たさないで電源設計をするとFPGA内部に大電流が流れ動作不良を起こしたりデバイスが損傷してしまうこともあります。その他、FPGAの各電源はそれぞれ違った振る舞いをするのでそれに見合った電源ICを選択します。例えばCoreに必要となる電源にはある程度の大電流を流せるものを選択したり、過渡応答特性の良いものを選択しなければなりません。高速シリアルに使用される電源にはアナログ電源のような出力電圧制度の良いものを選択します。基板設計する際にも、なるべくノイズ(スパイク、リプル、etc)がのらないような工夫をしたり、各デバイスから出る熱をいかに逃がすか。電流に応じたインダクタの選択を行う際は、どの程度マージンを持って選択するのか。これらを考えながらなるべく電源効率を上げる必要もあります。
また、ここまで多様化した電源要求は少しでもパターンを引き回したりするとFPGAの要求する電源供給が出来なくなってしまいます。よってPOL(Point of Load)を意識して電圧精度を少しでもあげること、ノイズをのせないようにすることを心がけていただければと考えております。
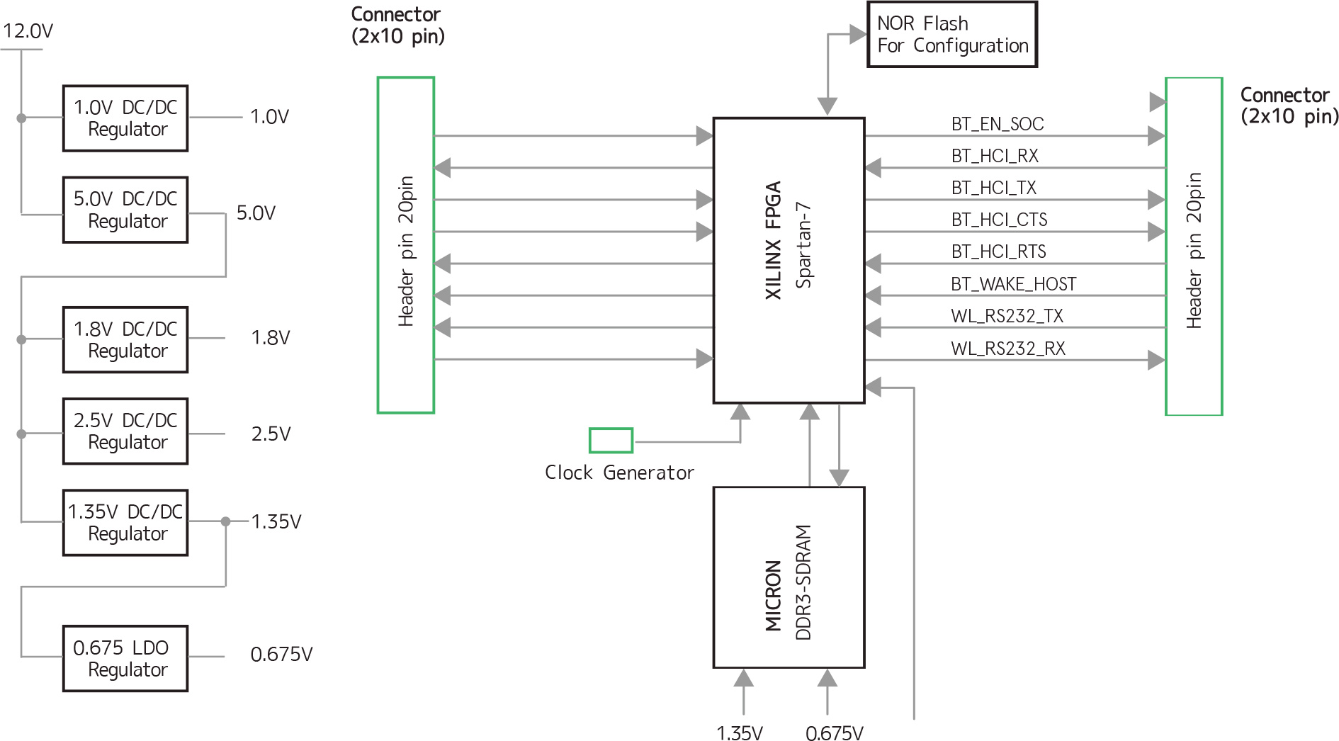
ここで紹介する電源リファレンスデザインは、これらすべての電源要求にこたえられるように設計されております。またこの電源リファレンスデザインは無償にて提供されます。これらを参考にして電源設計を確実に容易にしてみてください。
Features
- 高速応答電源IC、小型電源ICを駆使し、Spartan-7を安全・安定動作させる標準回路を提供
- リファレンスボードの 回路、BOM、PCBデータはWEBより取得可能(2019/12 WEB公開済)
Target Applications
- 監視カメラ
画像処理・映像系アプリケーション - マシンビジョン用I/F
- モーター制御系アプリケーション
- 産業用ネットワーク、各種センサアプリケーション
主要電源デバイス
- BD95602MUV-LB
- BD9F500QUZ
- BD9B305QUZ
- BD35395FJ-M
設計データ ダウンロードページ
- Design data download page
https://www.rohm.co.jp/spartan-7
Rohmサポート(電源関連)
- Rohm Support (For Power management)
https://www.rohm.co.jp/contactus
Power Management Infromation
| Part Number | Description | Frequency (MHz) | Package |
|---|---|---|---|
| BD95602MUV-LB | DC/DC Controller | 0.15 to 0.50 | VQFN032V5050 (5.0mm x 5.0mm, H=1.0mm) |
| BD9F500QUZ | DC/DC Converter | 0.60/1.00/2.20 | VMMP16LZ3030 (3.0mm x 3.0mm, H=0.4mm) |
| BD9B305QUZ | DC/DC Converter | 1.00 | VMMP08LZ2020 (2.0mm x 2.0mm, H=0.4mm) |
| BD35395FJ-MLB | Termination Requlator | - | SOP-J8 (4.9mm x 6.0mm, H=1.65mm) |
| BD45305G-TR | Reset IC | - | SSOP5 (2.90mm x 2.80mm, H=1.25mm) |
| BD9F800MUX | DC/DC Converter | 0.3/0.6 | VQFN11X3535A (3.50mm x 3.50mm, H=0.6 mm) |
Related Parts
| Part Number | Description | Manufacture | Package Size (Body Size) |
|---|---|---|---|
| XC7S50-2CSGA324C | FPGA | Xilinx | 15mm x 15mm |
| SiT9120AC-1B3-25E200 | Oscillator, Differential I/O | SiTime | 3.2mm x 2.5mm |
| MT25QU128ABA1ESE-0SIT | NOR Flash, For Configuration 128Mb | Micron | 5.49mm x 5.49mm |
| MT41K256M16TW-107:P | DDR3-SDRAM, 4Gb DQx16 | Micron | 8mm x 14mm |

