特色
- 低通態電壓VCE(sat)和Vf
- 過載時,Tvj op = 175°C
- 增強dv / dt可控性
- 優化開關損耗dv / dt = 5kV /μs
- 8μs短路性能
產品優勢
- Higher power density due to use of smaller power modules (e.g. 25A PIM in Easy1B)
- Low losses to meet energy efficiency requirements
- Optimised trade-off between losses and EMI
- Lower system cost
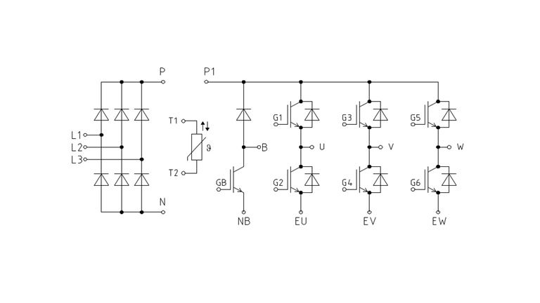
方塊圖
