「第39回ネプコンジャパンーエレクトロニクス開発・実装展」出展のお知らせ
AI/データサイエンスや MBD・シミュレーション技術を中心に「製造業における DX ソリューション企業」を目指すテクノプロ・デザイン社は、
2025年1月22日(水)~24日(金)に東京ビッグサイトで開催される「ネプコンジャパン エレクトロニクス開発・実装展」に出展いたします。
パワエレ開発用評価ボード - カスタムデザインサービス
パワエレ開発用評価ボード「PEB-100」をベースにお客様のご要望に合わせてカスタマイズするサービスをご紹介します。
出展概要
日 時:2025年1月22日(水)~24日(金) 10:00~17:00
会 場:東京ビッグサイト 東展示棟 ※展示ブース番号:E69-66
参加費:無料(事前登録制:登録する)
展示予定
- 電動バイク/電動自転車/昇降機などで近年多く採用されているインホイールモーター制御駆動をテクノプロの自社製評価ボードを活用したデモ展示のご提案
- 急速充電器を管理する国際標準通信プロトコルのOCPPパッケージについてテクノプロの豊富な実績を背景としたOCPPソリューションのデモ展示のご提案
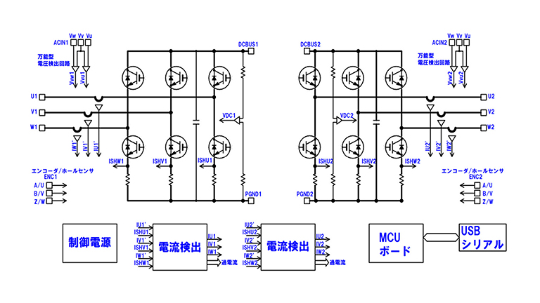
テクノプロ・デザイン社開発 パワエレ開発用評価ボード「PEB-100」
特徴
- ご希望に合わせた様々なアプリケーションに対応可能
- SWカスタマイズ設計対応可能
- 場所を取らないA5サイズ
- 選べるマイコンメーカー(STマイクロエレクトロニクス/ルネサス)
- 短納期での評価基板立上に
- インバータやコンバータの試作用
- 多数の開発実績を元に開発されている為、動作の安定度が高くお急ぎの試作評価に最適
- 対応可能システム電力
- 標準制御ボード+パワーユニット(オプション)で1.5kWまで対応可能
- カスタムの拡張基板を開発(別御見積)する事で10kWまで対応可能
- モータードライブ出力
- 標準制御ボード+パワーユニット(オプション)3.7kWクラスのモーター駆動可能(200V/400V系)
- カスタムの拡張基板を開発(別御見積)する事で200V系37kW/400V系55kWまで駆動可能

開発期間の短縮、開発工数の低減、開発品質向上に貢献いたします。
- 回路詳細設計~パターン設計~基板製造のフェイズを省略し評価への早期着手が可能
- HW仕様が確定している為、SW設計開発にすぐ着手可能
製品概要
- 標準制御ボード
- 3相フルブリッジ/絶縁、同期動作可能な2組のインバータユニットを搭載
- 600V20A IGBTの他、SiC、60V系のMOSFETなどへ1個単位で交換可能
- インダクタ/トランスは外部基板にて実装
- 電流検出は安価なシャント式、絶縁を目的としたホール素子を選択可能
- 2組のインクリメンタルエンコーダ/ホールセンサインターフェース
- 2組のAC/DC共通万能型電圧検出回路
- マイコンボード
- 各種マイコンを搭載した小型基板を主回路基板に挿抜可能
- USBシリアル通信標準装備
- CAN/RS485インターフェース等はコネクタにより外部へ設けます
- 提供物
- 制御ボード一式(MCUボード、メインボード)
- リファレンスデザイン
- 取扱説明書
- 価格
- オープンプライス
- オープンプライス
- STマイクロエレクトロニクス社デザインパートナー
- ソリューションパートナーとして活動中
- 参考URL:https://www.stmcu.jp/design/thirdparty/other-thirdparty/10630


