High-performance CIPOS™ Maxi transfer molded silicon carbide
Combining an optimized 6-channel 1200 V SOI gate driver and 6 CoolSiC™ MOSFETs in a DIP 36X23D package Infineon introduces the world's first 1200 V transfer molded Intelligent Power Module (IPM) with silicon carbide (SiC). The new CIPOS™ Maxi family member is aiming at variable speed drive applications such as industrial motors, pumps and HVAC - making it easy to integrate SiC in the power design of motors.
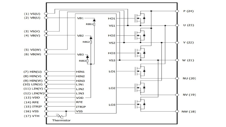
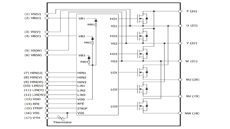
IM828-XCC integrates 6 CoolSiC™ MOSFETs with an optimized 1200 V 6-channel SOI gate driver to increase reliability, provide excellent protection and optimize PCB size and system costs.
The smallest and most compact package in the 1200 V class, this IPM combines a power rating in excess of 8 kW with exceptional power density, reliability and performance. It offers excellent protections such as under-voltage lockout on all channels, all switches turnoff during protection, cross-conduction prevention, over-current protection, temperature monitoring.
Features
- Fully isolated dual inline molded module with DCB
- 1200 V CoolSiC™ MOSFET
- Rugged 1200 V SOI gate driver technology
- Integrated bootstrap functionality
- Overcurrent shutdown
- Undervoltage lockout on all channels
- Turnoff of all six switches during protection
- Cross-conduction prevention
- Allowable negative VS potential up to -11 V for signal transmission at VBS=15 V
- Low-side emitter pins accessible
Target applications
- 3-phase PFC
- Pumps
- Active filter (active power factor correction) for HVAC
- Low-power general purpose drives (GPI, servo drives)
Benefits
- Smallest package size in 1200 V IPM class with high power density and excellent performance
- Gate driver technology with enhanced robustness for excellent protection
- High efficiency up to 99%
- Wide switching speed range up to 80 kHz
- Adapted to fast-switching applications with lower power losses
- Simplified design and manufacturing
Diagram

Internal electrical schematic