Intelli-Phase™ Solution
MPQ2946 and MPQ86760
MPQ2946 - 具有三条电源轨的数字8 相控制器
MPQ86760 - Intelli-Phase™ 解决方案
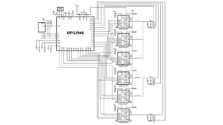
MPQ2946 是一款适用于自动驾驶应用的数字三轨多相控制器。它可以与 MPS 的 Intelli-Phase™产品配合使用,以最少的外部元件实现多相稳压器 (VR) 解决方案。该器件最多可配置为三轨 8 相运行。
MPQ2946通过片上多次可编程 (MTP) 存储器来存储和恢复器件配置,并通过数字接口对器件参数和故障参数进行配置或监控。它还利用 Intelli-Phase™ 电流采样 (CS) 输出监控并报告输出电流 (IOUT)。
MPQ2946 采用独特的数字多相非线性控制,以最少的输出电容为负载阶跃提供快速瞬态响应。它将同一种功率环路控制方法应用于稳态和负载瞬态响应,功率环路补偿配置非常简单。
MPQ2946 采用 TQFN-48 (7mmx7mm) 封装,且符合 AEC-Q100 等级1认证。
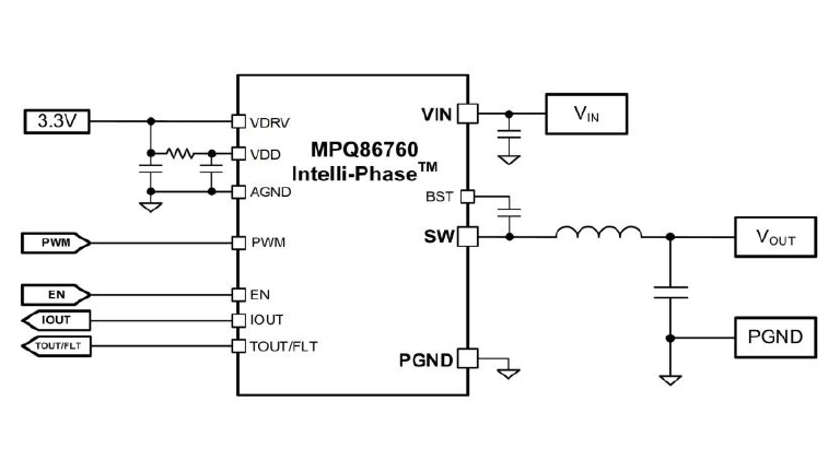
MPQ86760 是一款内置功率 MOSFET 和栅极驱动器的单片半桥。它可在宽输入电压 (VIN) 范围内实现高达 45A 的连续输出电流 (IOUT)。
MPQ86760集成的MOSFET和驱动器优化了死区时间 (DT) 并减少了寄生电感,因此具备高效率。
MPQ86760还兼容三态输出控制器,同时提供通用电流采样和温度采样功能。
MPQ86760 非常适合注重高效率与小尺寸的自动驾驶应用。它采用 TQFN-21 (4mmx5mm) 封装。
特点
MPQ2946
- 3 轨、最多 8 相数字脉宽调制 (PWM) 控制器
- 提供数字接口用于配置和监控
- 内置多次可编程 (MTP) 存储器用于存储自定义配置
- 自动环路补偿
- 带或不带断续导通模式 (DCM) 的自动切相 (APS),以提高整体效率
- 相间主动电流平衡
- 输入电压 (VIN) 和输出电压 (VOUT) 监控
- 输出电流 (IOUT) 监控
- 稳压器温度监控
保护功能:
欠压锁定 (UVLO)保护
过压保护 (OVP)
欠压保护 (UVP)
过流保护 (OCP)
过温保护 (OTP)
- 用于 MTP 转换的循环冗余校验 (CRC)
- 每个电源轨都可单独启用 (EN)
- 数字、可配置负载线
- 采用TQFN-48(6mmx6mm)封装
- 符合 AEC-Q100等级1认证
MPQ86760
- 宽工作输入电压 (VIN) 范围
- 45A 输出电流 (IOUT)
- 可接收三态脉宽调制 (PWM) 信号
- 内置自举开关 (BST)
- Accu-Sense™ 电流采样
- 温度采样
- 限流保护
- 过温保护 (OTP)
- 可用于多相操作
- 采用 TQFN-21 (4mmx5mm) 封装
- 符合AEC-Q100 等级1认证
- 专为功能安全应用而开发: 符合 ISO 26262 标准
应用
Central computers for autonomous vehicles.
框图


