主要特色
- 6V 至 38V、三个半桥栅极驱动器,集成了 3 个电流检测放大器 (CSA)
- 40V 绝对最大额定值
- 针对 12V 和 24V 直流电源轨进行了全面优化
- 驱动高侧和低侧 N 沟道 MOSFET
- 支持 100% PWM 占空比
- 智能栅极驱动架构
- 通过可调压摆率控制实现更出色的 EMI 和 EMC 性能
- 通过 VGS 握手和最小死区时间插入方法避免击穿
- 15mA 至 150mA 峰值拉电流
- 30mA 至 300mA 峰值灌电流
- 6x、3x、1x 和独立 PWM 模式
- 支持 120º 传感器式运行模式
- 集成栅极驱动器电源
- 高侧倍增电荷泵
- 低侧线性稳压器
应用
- 打印机
- BLDC 电机模块
- 白色家电
- 呼吸机、电扇和水泵
- 无人机、机器人和 RC玩具
- ATM 和点钞机
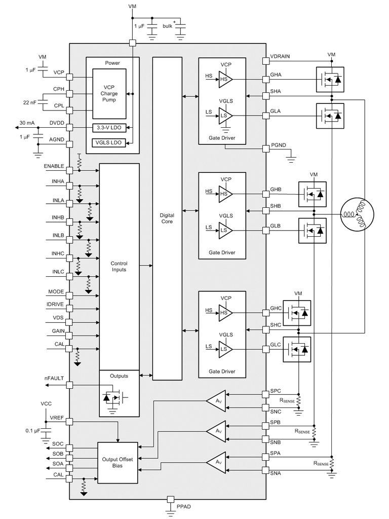
框图

Texas Instruments
Analog and digital semiconductor ICs
TI provides products including amplifiers, clocks & timers, data converters, interface, logic, power management, DSP, MCU, RF/IF and sensors etc.
