XDPL8221是第一個在工業領域裡的可程式設計數位LED控制器,它集成有UART通信介面以檢測即時工作參數,這使得XDPL8221成為智慧IoT LED照明應用領域的一個理想控制晶片方案。XDPL8221的獨特之處還在於它具有調光關斷功能,並且調光過程無閃爍。XDPL8221的另外一個獨特之處在於它整合了準諧振PFC和初級側調節功能的準諧振返馳控制器。XDPL8221整合的序列通訊介面可以支援晶片直接與外部MCU通訊。 XDPL8221專為高性能的LED驅動器所設計,可以廣泛地應用於智慧照明和物聯網等領域。XDPL8221具備有多種控制功能,如輸出恒定電壓控制,輸出恒定電流控制和輸出功率受限控制,使其成為高度通用的LED電源控制晶片方案的理想選擇。
XDPL8221結合了先進功能,例如具有恆定電壓,恆定電流和受限功率的多重控制作為可配置的運行參數。 XDPL8221的性能有助於設計更高效的設備。該驅動器IC在100 VAC至277 VAC或127 VDC至430 VDC的標稱輸入電壓範圍內支援交流和直流輸入的全部功能。根據實際情況,內置數位控制選擇最佳的操作模式。它可以在準諧振,間斷導通或主動高載模式之間切換。具有指令集的XDPL8221 UART介面可控制設備的功能並提供狀態資訊。這樣就可以進行數位交換的即時資料。該資料可用於監視或其他本地控制功能。該驅動器IC可以調光至1%以下,不會出現閃爍,同時電流仍可以高精度調節。該晶片還具有調光關斷功能,當燈以低待機功率(小於100 mW,取決於驅動器設計)熄滅時,可使設備保持待機模式。
特徵:
- 支援交流和直流輸入
- 標稱輸入電壓範圍100VAC – 277VAC或127VDC – 430VDC
- 參考板效率> 90%
- 寬負載範圍內的功率因數> 0.9和THD <15%
- UART介面和指令集
- 待機功率<100mW
- 具有自我調整熱管理功能的溫度保護裝置
- 內部和/或外部感測器
- 數位控制自動選擇最佳操作模式,
- 根據實際要求
- QRM(準諧振模式)
- DCM(間斷導通模式)
- ABM(主動連拍模式)
- 可調式數位參數
- 可配置的掉電和掉電保護
- 監視並保護相關錯誤條件(欠壓/過壓/開路負載/輸出短路)
應用:
- 適用於室內或室外應用的無閃爍LED驅動器
- 用於連網照明的多模式LED驅動器
- 有線或無線連接的LED驅動器
優勢:
- Enables the design of high performance and innovative advanced LED driver for connected lighting with small effort
- Reduced BoM minimizes system cost and increases flexibility
- High reliability features improve long lifetime of the driver
- Fast design cycle reduces time to market and efforts for value products
- Supply chain efficiency optimizes stock keeping and enables high flexibility
- Real time operating parameters digitally available by UART interface
- Dimming control numerically precise through UART commands
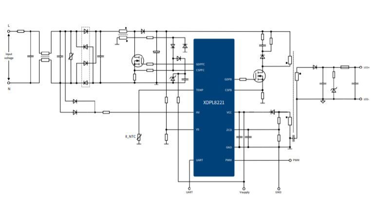
方塊圖
