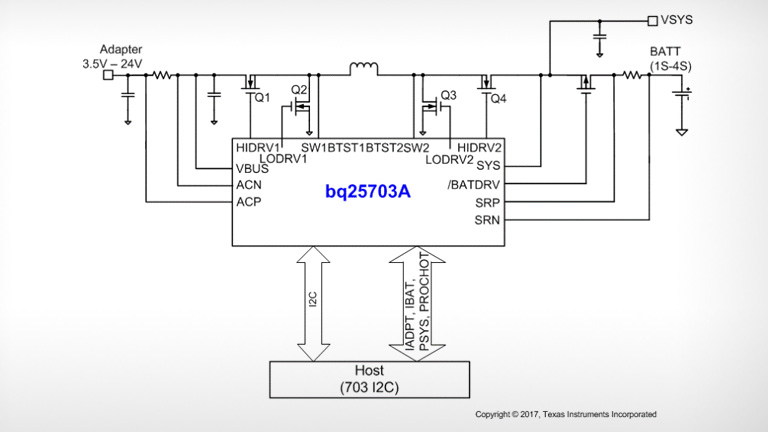
The bq25703A is a synchronous NVDC battery buck-boost charge controller, offering low component count, high efficiency solution for space-constraint, multi-chemistry battery charging applications.
The NVDC-1 configuration allows the system to be regulated at battery voltage, but not drop below system minimum voltage. The system keeps operating even when the battery is completely discharged or removed. When load power exceeds input source rating, the battery goes into supplement mode and prevents the input source from being overloaded.
The bq25703A charges battery from a wide range of input sources including USB adapter, high voltage USB PD sources and traditional adapters.
During power up, the charger sets converter to buck, boost or buck-boost configuration based on input source and battery conditions. The charger automatically transits among buck, boost and buck-boost configuration without host control.
In the absence of an input source, the bq25703A supports On-the-Go (OTG) function from 1- to 4-cell battery to generate 4.48 V to 20.8 V on VBUS. During OTG mode, the charger regulates output voltage and output current.
The bq25703A monitors adapter current, battery current and system power. The flexibly programmed PROCHOT output goes directly to CPU for throttle back when needed.
Key features
|
|
Texas Instruments
BQ25703A
NVDC I2C Battery Buck-Boost Charge Controller with System Power Monitor & Processor

