TEA2095T/TE 是一種新型同步整流器 (SR) 控制器 IC,用於開關模式電源。它採用自適應柵極驅動方法,可在任何負載下實現最高效率。
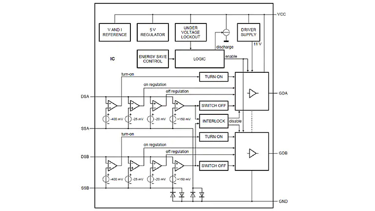
TEA2095T/TE 是一款專用控制器 IC,用於諧振轉換器的輔助端同步校正。它有兩個驅動階段,用於驅動 SR MOSFET,可校正中央水龍頭輔助變壓器繞組的輸出。兩個柵極驅動階段都有自己的傳感輸入並獨立運行。
TEA2095T/TE 經過優化,可高效運行,具有極低阻值的 MOSFET 和高頻開關,採用絕緣體(silicon-on-insulator ,SOI)矽工藝製造。
應用
TEA2095TE 用於諧振電源。在此類應用中,它可以 驅動兩個外部同步整流器 MOSFET,用於校正上的電壓 變壓器的兩個次級繞組。這些 MOSFET 替換二極體。它可以用於所有需要高效率的電源:
- 配接器/轉接變壓器
- 桌上型電腦 PC 和一體式 PC 的電源
- 電視電源
- 伺服器電源
特徵
- 能效特性
- 在任何負載下能自適應調節門極驅動以實現最大化效率
- 節能工作模式下的供電電流為90 μA
- 檢測電壓為-25 mV用於驅動低阻抗的MOSFET
- 應用特性
- 寬的供電電壓範圍:4.5 V至38 V
- 二個同步整流控制器適合LLC諧振變換器
- 支援5 V工作是,所以可以選擇邏輯電平的同步整流MOSFET
- 每個同步整流MOSFET採用的是差分輸入檢測,包括漏極和源極電壓
- 擁有散熱焊盤的HSO8封裝
- 輸出電容放電當斷電後
- 控制功能
- 同步控制沒有最小導通時間
- 在導通結束時柵極能夠自適應快速關斷
- 欠壓鎖定(UVLO)保護,帶有源柵極下拉關斷
- 互鎖功能可防止外部MOSFET同時導通
- 支援1 MHz的開關頻率
方塊圖

資料表
GreenChip 雙路同步整流控制器
