Maxi 1200 V, 20 A three-phase Intelligent Power Module
The world‘s first 1200 V transfer molded silicon carbide IPM solution.
CIPOS™ Maxi 1200 V, 20 A three-phase CoolSiC™ MOSFET based intelligent power module with open emitter in DIP 36x23D package providing fully-featured compact inverter solution with excellent thermal conduction for industrial applications including industrial drives, HVAC, active filters, motor controls, etc. It is optimized for fast switching and high power applications by silicon carbide technology
The evaluation board, EVAL-M1-IM828-A is also available to support customers during their first steps of applications with CIPOS™ Maxi IPM.
IM828 series based on silicon carbide technology provides a novel high power solution for industrial drives and HVAC application. It integrates various power and control components to achieve the highest power density to increase reliability and optimizes PCB size/weight and system costs. It offers wide switching speed range and various excellent protection to meet customer requirements. High-performance CIPOS™ Maxi intelligent power modules (IPMs) IM828-XCC integrate 6 CoolSiC™ MOSFETs and an optimized 1200 V 6-channel SOI gate driver into DIP 36X23D package. This smallest and compact package in 1200 V class provides over 8 kW power rating and offers the high power density, high reliability and performance.
To support your first steps of applications with CIPOS™ Maxi IPM, the evaluation board EVAL-M1-IM828-A is also developed to get your motor running within one hour. In combination with control-boards equipped with the M1 20pin interface connector, like EVAL-M1-101T, it demonstrates our CIPOS™ Maxi SiC IPM technology for motor drive.
Features
Fully isolated Dual In-Line molded module
- 1200V CoolSiC™ MOSFETs
- Rugged 1200V SOI gate driver technology with stability against transient and negative voltage
- Allowable negative VS potential up to -11 V for signal transmission at VBS = 15 V
- Integrated bootstrap functionality
- Over current shutdown
- Built-in NTC thermistor for temperature monitor
- Under-voltage lockout at all channels
- Low side source pins accessible for phase current monitoring (open source)
- Anti cross-conduction prevention
- All of 6 switches turn off during protection
- Programmable fault clear timing and enable input
- Lead-free terminal plating; RoHS complian
Applications
- Heating ventilation and air conditioning (HVAC)
- Industrial motor drives and controls
- Motor control and drives
Benefits
- Minimized PCB size
- Easy PCB footprint design
- Less peripheral components
- Wide switching speed range
- Maintain stability against transient
- Lower switching losses
- Monitoring system thermal status
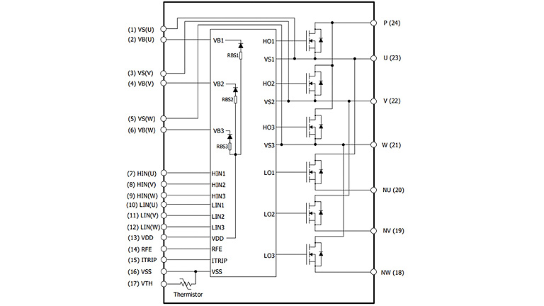
Block diagram

