Automotive Current Sense Amplifier BD14237FJ-C
ROHM’s BD14237FJ-C is an automotive-grade current sense amplifier supporting a wide common-mode range from −14V to +80V with 100 V/V gain and low input bias, ideal for precise current monitoring.
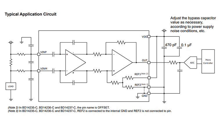
The BD14237FJ-C is a high-accuracy current sense amplifier designed for automotive applications. It operates from a single 2.7 V to 18 V supply and offers an analog output proportional to voltage across a shunt resistor. With a wide common-mode voltage range from −14 V to +80 V and typical gain of 100 V/V, it minimizes gain error and offset voltage thanks to an internal matched gain resistor. Low input bias current (~1 μA) helps reduce measurement error, and the device meets AEC-Q100 automotive grade qualification.
Features
- AEC-Q100 Qualified (Grade 1)
- Wide Common Mode Voltage Range
- High Accuracy
- Low Offset Voltage
- Low Input Bias Current
Applications
- On Board Charger
- DCDC Converter
- Electric Compressor
Block Diagram

