因為需要行動裝置能隨時隨地可供使用,所以更好、更有效的電力傳輸解決方案就出現了。例如USB PD 3.0除了能提供正在充電的裝置及其電量的詳細信息,還可以快速為裝置充電。而QC4.0的充電也比QC3.0快了20%,效率提高30%。
安富利的PD3.0 45W適配器可以滿足USB PD3.0和QC4.0(+)的要求。它使用三個NXP IC,以通用交流輸入45W通用電源參考設計為主。除了在輸出電壓完全調節的情況下需要極低的待機功耗外,這個解決方案還具有極高的效率和可靠性。它出色的能源效率實際上可以達到所有DOE和EU CoC的要求。輸出範圍為5V至20V,而功率高達45W。消費者甚至可以從電力傳輸方向不固定的便利性中受益。
特色
- 支持USB-PD 2.0和3.0規範,快速充電2.0 / 3.0 / 4.0(+)
- 快速充電—C4.0充電時間比QC3.0快20%,效率提高30%
- 電力傳輸方向不固定
- 極出色的能源效率可以達到所有DOE和EU CoC的要求
- 可為大多數行動裝置— iPhone,MacBook和Android智慧型手機等充電
- 5 outputs 5/9/12/15V@3A&20V@2.25A
- 總功率45W

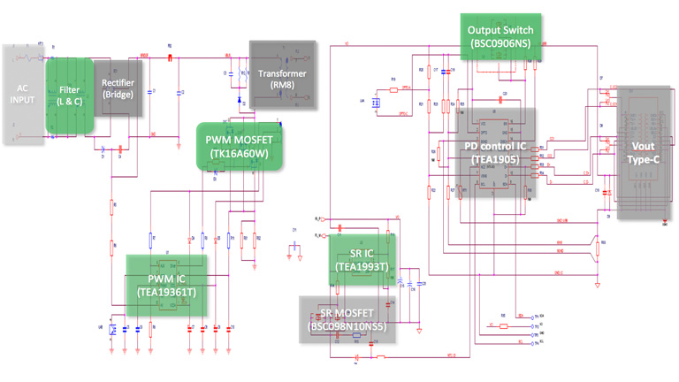
主要零件
- PWM IC: NXP TEA19361T
- S.R. IC: NXP TEA1993T
- PD3.0 控制器: NXP TEA1905
- PWM MOSFET: TOSHIBA TK10A60D
- SR MOSFET: Infineon BSC098N10NS5
- 輸出開關: Infineon BSC0906NS
目標應用
- 筆記本電腦(Macbook,Lenovo等)
- 智慧型手機(iPhone 6/ 7/ 8/ X,三星S9,華為Mate9,小米Mi6等)
- 平板電腦(iPad等)
- 其他可攜式裝置和行動電子產品
方塊圖
